| Sign In | Join Free | My esadidasol.com |
|
Brand Name : Anterwell
Model Number : LM2675M-ADJ
Certification : new & original
Place of Origin : original factory
MOQ : 10pcs
Price : Negotiate
Payment Terms : T/T, Western Union, Paypal
Supply Ability : 8500pcs
Delivery Time : 1 day
Packaging Details : Please contact me for details
Supply Voltage : 45V
Switch Voltage to Ground : −1V
Power Dissipation : Internally Limited
Storage Temperature Range : −65˚C to +150˚C
Maximum Junction Temperature : +150˚C
ESD Susceptibility Human Body Model : 2 kV
LM2675
SIMPLE SWITCHER® Power Converter High Efficiency 1A Step-Down Voltage Regulator
General Description
The LM2675 series of regulators are monolithic integrated circuits built with a LMDMOS process. These regulators provide all the active functions for a step-down (buck) switching regulator, capable of driving a 1A load current with excellent line and load regulation. These devices are available in fixed output voltages of 3.3V, 5.0V, 12V, and an adjustable output version.
Requiring a minimum number of external components, these regulators are simple to use and include patented internal frequency compensation (Patent Nos. 5,382,918 and 5,514,947) and a fixed frequency oscillator.
The LM2675 series operates at a switching frequency of 260 kHz, thus allowing smaller sized filter components than what would be needed with lower frequency switching regulators. Because of its very high efficiency (>90%), the copper traces on the printed circuit board are the only heat sinking needed.
A family of standard inductors for use with the LM2675 are available from several different manufacturers. This feature greatly simplifies the design of switch-mode power supplies using these advanced ICs. Also included in the datasheet are selector guides for diodes and capacitors designed to work in switch-mode power supplies.
Other features include a guaranteed ±1.5% tolerance on output voltage within specified input voltages and output load conditions, and ±10% on the oscillator frequency. External shutdown is included, featuring typically 50 µA stand-by current. The output switch includes current limiting, as well as thermal shutdown for full protection under fault conditions.
To simplify the LM2675 buck regulator design procedure, there exists computer design software, LM267X Made Simple version 6.0.
Features
Typical Applications
Absolute Maximum Ratings (Note 1)
If Military/Aerospace specified devices are required, please contact the National Semiconductor Sales Office/ Distributors for availability and specifications.
Supply Voltage 45V
ON/OFF Pin Voltage −0.1V ≤ VSH ≤ 6V
Switch Voltage to Ground −1V
Boost Pin Voltage VSW + 8V
Feedback Pin Voltage −0.3V ≤ VFB ≤ 14V
ESD Susceptibility
Human Body Model (Note 2) 2 kV
Power Dissipation Internally Limited
Storage Temperature Range −65˚C to +150˚C
Lead Temperature
M Package
Vapor Phase (60s) +215˚C
Infrared (15s) +220˚C
N Package (Soldering, 10s) +260˚C
LLP Package (See AN-1187)
Maximum Junction Temperature +150˚C
Operating Ratings
Supply Voltage 6.5V to 40V
Junction Temperature Range −40˚C ≤ TJ ≤ +125˚C
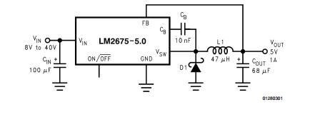
Typical Application

Connection Diagrams
16-Lead LLP Surface Mount Package Top View 8-Lead Package Top View

Block Diagram

|
|
LM2675M-ADJ Integrated Circuit Chip SIMPLE SWITCHER Power Converter High Efficiency 1A Step-Down Voltage Regulator Images |