Sign In | Join Free | My esadidasol.com
China Anterwell Technology Ltd. logo
Anterwell Technology Ltd.
Anterwell Technology Ltd. Large Original stock of IC Electronics Components, Transistors, Diodes etc. High Quality, Reasonable Price, Fast Delivery.
Site Member

10 Years

Home > Integrated Circuit Chip >

NCP1207ADR2G Integrated Circuit Chip PWM Current-Mode Controller for Free Running Quasi-Resonant Operation

Anterwell Technology Ltd.
Contact Now

NCP1207ADR2G Integrated Circuit Chip PWM Current-Mode Controller for Free Running Quasi-Resonant Operation

Brand Name : Anterwell

Model Number : NCP1207ADR2G

Certification : new & original

Place of Origin : origianl factory

MOQ : 10pcs

Price : Negotiate

Payment Terms : T/T, Western Union, Paypal

Supply Ability : 6100pcs

Delivery Time : 1 day

Packaging Details : Please contact me for details

Power Supply Voltage : 16 V

Thermal Resistance, Junction−to−Case : 57 °C/W

Operating Junction Temperature : -40 to +125 °C

Maximum Junction Temperature : 150 °C

Temperature Shutdown : 155 °C

Storage Temperature Range : −60 to +150 °C

Contact Now

NCP1207A

PWM Current−Mode Controller for Free Running Quasi−Resonant Operation

The NCP1207A combines a true current mode modulator and a demagnetization detector to ensure full borderline/critical Conduction Mode in any load/line conditions and minimum drain voltage switching (Quasi−Resonant operation). Due to its inherent skip cycle capability, the controller enters burst mode as soon as the power demand falls below a predetermined level. As this happens at low peak current, no audible noise can be heard. An internal 8.0 s timer prevents the free−run frequency to exceed 100 kHz (therefore below the 150 kHz CISPR−22 EMI starting limit), while the skip adjustment capability lets the user select the frequency at which the burst foldback takes place.

The Dynamic Self−Supply (DSS) drastically simplifies the transformer design in avoiding the use of an auxiliary winding to supply the NCP1207A. This feature is particularly useful in applications where the output voltage varies during operation (e.g. battery chargers). Due to its high−voltage technology, the IC is directly connected to the high−voltage DC rail. As a result, the short−circuit trip point is not dependent upon any VCC auxiliary level.

The transformer core reset detection is done through an auxiliary winding which, brought via a dedicated pin, also enables fast Overvoltage Protection (OVP). Once an OVP has been detected, the IC permanently latches off.

Finally, the continuous feedback signal monitoring implemented with an overcurrent fault protection circuitry (OCP) makes the final design rugged and reliable.

Features

• Free−Running Borderline/Critical Mode Quasi−Resonant Operation

• Current−Mode with Adjustable Skip−Cycle Capability

• No Auxiliary Winding VCC Operation

• Auto−Recovery Overcurrent Protection

• Latching Overvoltage Protection

• External Latch Triggering, e.g. Via Overtemperature Signal

• 500 mA Peak Current Source/Sink Capability

• Undervoltage Lockout for VCC Below 10 V

• Internal 1.0 ms Soft−Start

• Internal 8.0 s Minimum TOFF

• Adjustable Skip Level

• Internal Temperature Shutdown

• Direct Optocoupler Connection

• SPICE Models Available for TRANsient Analysis

• Pb−Free Package is Available

Typical Applications

• AC/DC Adapters for Notebooks, etc.

• Offline Battery Chargers

• Consumer Electronics (DVD Players, Set−Top Boxes, TVs, etc.)

• Auxiliary Power Supplies (USB, Appliances, TVs, etc.)

MAXIMUM RATINGS

RATING Symbol Value Units
Power Supply Voltage VCC, Drv 16 V
Maximum Voltage on all other pins except Pin 8 (HV), Pin 6 (VCC) Pin 5 (Drv) and Pin 1 (Demag) - −0.3 to 10 V
Maximum Current into all pins except VCC (6), HV (8) and Demag (1) when 10 V ESD diodes are activated - 5.0 mA
Maximum Current in Pin 1 Idem +3.0/−2.0 mA
Thermal Resistance, Junction−to−Case RθJC 57 °C/W
Thermal Resistance, Junction−to−Air, SOIC version RθJA 178 °C/W
Thermal Resistance, Junction−to−Air, DIP8 version RθJA 100 °C/W
Operating Junction Temperature TJ -40 to +125 °C
Maximum Junction Temperature TJMAX 150 °C
Temperature Shutdown - 155 °C
Hysteresis in Shutdown - 30 °C
Storage Temperature Range - −60 to +150 °C
ESD Capability, HBM Model (All pins except HV) - 2.0 kV
ESD Capability, Machine Model - 200 V
Maximum Voltage on Pin 8 (HV), Pin 6 (VCC) decoupled to ground with 10 μF VHVMAX 500 V
Minimum Voltage on Pin 8 (HV), Pin 6 (VCC) decoupled to ground with 10 μF VHVMIN 40 V

Maximum ratings are those values beyond which device damage can occur. Maximum ratings applied to the device are individual stress limit values (not normal operating conditions) and are not valid simultaneously. If these limits are exceeded, device functional operation is not implied, damage may occur and reliability may be affected.

NCP1207ADR2G Integrated Circuit Chip PWM Current-Mode Controller for Free Running Quasi-Resonant Operation NCP1207ADR2G Integrated Circuit Chip PWM Current-Mode Controller for Free Running Quasi-Resonant Operation

NCP1207A

NCP1207ADR2G Integrated Circuit Chip PWM Current-Mode Controller for Free Running Quasi-Resonant Operation

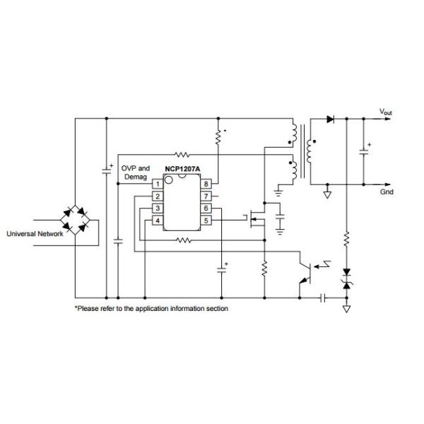
Figure 1. Typical Application

NCP1207ADR2G Integrated Circuit Chip PWM Current-Mode Controller for Free Running Quasi-Resonant Operation

Figure 2. Internal Circuit Architecture

Stock Offer (Hot Sell)

Part NO. Q'ty MFG D/C Package
ADR510ARTZ 9000 AD 14+ SOT23
AD1580ARTZ 9000 AD 15+ SOT23
MC68302PV16C 8975 MOT 00+ QFP
MAX98302ETD+T 8955 MAXIM 15+ TDFN
MB91F267APMC-GE1 8950 FUJITSU 14+ QFP
PIC18F2620-I/SO 8942 MICROCHIP 13+ SOP
ATF-36163-TR1 8940 AVAGO 14+ SOT363
MAX4377TASA 8931 MAXIM 14+ SOP
MB87020PF-G-BND 8925 FUJITSU 15+ QFP
MAX6006BEUR+T 8918 MAXIM 14+ SOT
LM2917N 8900 NSC 13+ DIP-14
MB86H20APMT-G-BN 8875 FUJITSU 14+ QFP
MB8431-90LPFQ 8850 FUJITSU 15+ QFP
LM79L05ACZ 8839 NSC 14+ TO-92
LT1070HVCT 8814 LINEAR 14+ TO-220
MB8421-90LPFQ 8800 FUJITSU 14+ QFP
ADP195ACBZ-R7 8800 AD 15+ WLCSP4
53398-0571 8776 MOLEX 15+ connector
M9004-02 8775 OKI 07+ QFP
ACM1513-551-2PL-TL 8771 TDK 15+ inductor
M66592FP 8750 RENESAS 13+ QFP


Product Tags:

integrated circuit ic

      

integrated circuit components

      
Buy cheap NCP1207ADR2G Integrated Circuit Chip PWM Current-Mode Controller for Free Running Quasi-Resonant Operation product

NCP1207ADR2G Integrated Circuit Chip PWM Current-Mode Controller for Free Running Quasi-Resonant Operation Images

Inquiry Cart 0
Send your message to this supplier
 
*From:
*To: Anterwell Technology Ltd.
*Subject:
*Message:
Characters Remaining: (0/3000)